Bodies
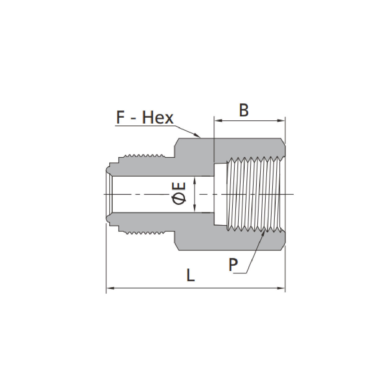
Body to Male NPT

| FR Body to Male NPT | Dimensions, in. (mm) | Working Pressure, psig (bar) | |||||||
|---|---|---|---|---|---|---|---|---|---|
| FR Size (in.) | P-NPT Size | Basic Ordering Number | L | B | E | F | 6L | CU | NI |
| 1/8 | 1/16 | -CM-FR2-NS1 | 1.07 (27.2) | 0.38 (9.7) | 0.09 (2.3) | 3/8 (9.5) | 9000 (620) | 7200 (496) | 9000 (620) |
| 1/8 | 1/8 | -CM-FR2-NS2 | 1.07 (27.2) | 0.38 (9.7) | 0.09 (2.3) | 7/16 (11.1) | 9000 (620) | 7200 (496) | 9000 (620) |
| 1/4 | 1/8 | -CM-FR4-NS2 | 1.31 (33.3) | 0.38 (9.7) | 0.18 (4.6) | 5/8 (15.9) | 10000 (690) | 6400 (440) | 8000 (551) |
| 1/4 | 1/4 | -CM-FR4-NS4 | 1.49 (37.8) | 0.56 (14.2) | 0.18 (4.6) | 5/8 (15.9) | 10000 (690) | 6400 (440) | 8000 (551) |
| 1/2 | 1/4 | -CM-FR8-NS4 | 1.65 (41.9) | 0.56 (14.2) | 0.28 (7.1) | 15/16 (23.8) | 4300 (296) | 2800 (192) | 3500 (241) |
| 1/2 | 3/8 | -CM-FR8-NS6 | 1.65 (41.9) | 0.56 (14.2) | 0.38 (9.7) | 15/16 (23.8) | 4300 (296) | 2800 (192) | 3500 (241) |
| 1/2 | 1/2 | -CM-FR8-NS8 | 1.84 (46.7) | 0.75 (19.1) | 0.40 (10.2) | 15/16 (23.8) | 4300 (296) | 2800 (192) | 3500 (241) |
| 3/4 | 3/4 | -CM-FR12-NS12 | 2.19 (55.6) | 0.75 (19.1) | 0.62 (15.7) | 1 15/16 (33.3) | 3700 (254) | 2400 (165) | 3000 (206) |
| 1 | 1 | -CM-FR16-NS16 | 2.47 (62.7) | 0.94 (23.9) | 0.87 (22.1) | 1 5/8 (41.3) | 3000 (206) | 1900 (130) | 3000 (206) |
Units: inch
Send us Swagelok part number. Fast RFQ response guaranteed.
Call us: (510) 498-8518
Email: sales@vacproducts.com
Body to Female NPT

| FR Body to Female NPT | Dimensions, in. (mm) | Working Pressure, psig (bar) | |||||||
|---|---|---|---|---|---|---|---|---|---|
| FR Size (in.) | P-NPT Size | Basic Ordering Number | L | B | E | F | 6L | CU | NI |
| 1/8 | 1/16 | -CF-FR2-NS1 | 1.10 (27.9) | 0.39 (9.9) | 0.09 (2.3) | 7/16 (11.1) | 6700 (461) | 6700 (461) | 6700 (461) |
| 1/8 | 1/8 | -CF-FR2-NS2 | 1.19 (30.2) | 0.41 (10.4) | 0.09 (2.3) | 9/16 (14.3) | 6500 (447) | 6500 (447) | 6500 (447) |
| 1/4 | 1/8 | -CF-FR4-NS2 | 1.41 (35.8) | 0.41 (10.4) | 0.18 (4.6) | 5/8 (15.9) | 8000 (551) | 6400 (440) | 8000 (551) |
| 1/4 | 1/4 | -CF-FR4-NS4 | 1.54 (39.1) | 0.59 (15.0) | 0.18 (4.6) | 3/4 (19.1) | 6600 (454) | 5200 (358) | 6600 (454) |
| 1/2 | 3/8 | -CF-FR8-NS6 | 1.76 (44.7) | 0.59 (15.0) | 0.40 (10.2) | 15/16 (23.8) | 4300 (296) | 2800 (192) | 3500 (241) |
| 1/2 | 1/2 | -CF-FR8-NS8 | 1.99 (50.5) | 0.78 (19.8) | 0.40 (10.2) | 1 1/16 (27.0) | 4300 (296) | 2800 (192) | 3500 (241) |
| 3/4 | 3/4 | -CF-FR12-NS12 | 2.36 (59.9) | 0.81 (20.6) | 0.62 (15.7) | 1 5/16 (33.3) | 3700 (254) | 2400 (165) | 3000 (206) |
| 1 | 1 | -CF-FR16-NS16 | 2.51 (63.8) | 1.00 (25.4) | 0.87 (22.1) | 1 5/8 (41.3) | 3000 (206) | 1900 (130) | 2400 (165) |
Units: inch
Send us Swagelok part number. Fast RFQ response guaranteed.
Call us: (510) 498-8518
Email: sales@vacproducts.com
Union Bodies

| Union Body | Dimensions, in. (mm) | Working Pressure, psig (bar) | ||||||
|---|---|---|---|---|---|---|---|---|
| FR Size (in.) | FR Size (in.) | Basic Ordering Number | L | E | F | 6L | CU | NI |
| 1/8 | 1/8 | -U-FR2 | 1.13 (28.7) | 0.09 (2.3) | 3/8 (9.5) | 11200 (772) | 7200 (496) | 9000 (620) |
| 1/4 | 1/4 | -U-FR4 | 1.55 (39.4) | 0.18 (4.6) | 5/8 (15.9) | 10000 (690) | 6400 (440) | 8000 (551) |
| 1/2 | 1/2 | -U-FR8 | 1.84 (46.7) | 0.40 (10.2) | 15/16 (23.8) | 4300 (296) | 2800 (192) | 3500 (241) |
| 3/4 | 3/4 | -U-FR12 | 2.44 (62.0) | 0.62 (15.7) | 1 5/16 (33.3) | 3700 (254) | 2400 (165) | 3000 (206) |
| 1 | 1 | -U-FR16 | 2.59 (65.8) | 0.87 (22.1) | 1 5/8 (41.3) | 3000 (206) | 1900 (130) | 2400 (165) |
Units: inch