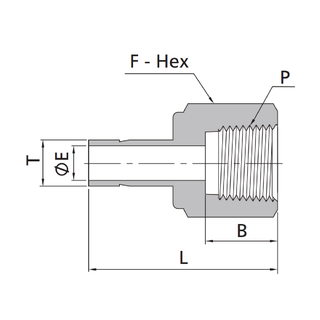
Female Adapters

| Fractional Tube | Dimensions (inch) | |||||
|---|---|---|---|---|---|---|
| T-Tube O.D. | P-NPT Size | Part Number | L | B | E | F |
| 1/16 | 1/8 | SS-AF-FT1-NS2 | 1.07 | 0.41 | 0.03 | 0.56 |
| 1/8 | 1/8 | SS-AF-FT2-NS2 | 1.24 | 0.41 | 0.08 | 0.56 |
| 1/8 | 1/4 | SS-AF-FT2-NS4 | 1.39 | 0.59 | 0.08 | 0.75 |
| 3/16 | 1/8 | SS-AF-FT3-NS2 | 1.25 | 0.41 | 0.11 | 0.56 |
| 3/16 | 1/4 | SS-AF-FT3-NS4 | 1.41 | 0.59 | 0.12 | 0.75 |
| 1/4 | 1/8 | SS-AF-FT4-NS2 | 1.30 | 0.41 | 0.17 | 0.56 |
| 1/4 | 1/4 | SS-AF-FT4-NS4 | 1.46 | 0.59 | 0.17 | 0.75 |
| 1/4 | 3/8 | SS-AF-FT4-NS6 | 1.55 | 0.59 | 0.17 | 0.87 |
| 1/4 | 1/2 | SS-AF-FT4-NS8 | 1.79 | 0.78 | 0.17 | 1.06 |
| 5/16 | 1/8 | SS-AF-FT5-NS2 | 1.34 | 0.41 | 0.22 | 0.56 |
| 5/16 | 1/4 | SS-AF-FT5-NS4 | 1.48 | 0.59 | 0.22 | 0.75 |
| 5/16 | 3/8 | SS-AF-FT5-NS6 | 1.59 | 0.59 | 0.22 | 0.87 |
| 3/8 | 1/8 | SS-AF-FT6-NS2 | 1.35 | 0.41 | 0.27 | 0.56 |
| 3/8 | 1/4 | SS-AF-FT6-NS4 | 1.50 | 0.59 | 0.27 | 0.75 |
| 3/8 | 3/8 | SS-AF-FT6-NS6 | 1.59 | 0.59 | 0.27 | 0.87 |
| 3/8 | 1/2 | SS-AF-FT6-NS8 | 1.84 | 0.78 | 0.27 | 1.06 |
| 1/2 | 1/4 | SS-AF-FT8-NS4 | 1.71 | 0.59 | 0.37 | 0.75 |
| 1/2 | 3/8 | SS-AF-FT8-NS6 | 1.78 | 0.59 | 0.37 | 0.87 |
| 1/2 | 1/2 | SS-AF-FT8-NS8 | 2.04 | 0.75 | 0.37 | 0.87 |
| 5/8 | 3/8 | SS-AF-FT10-NS6 | 1.86 | 0.59 | 0.47 | 0.87 |
| 5/8 | 1/2 | SS-AF-FT10-NS8 | 2.09 | 0.78 | 0.47 | 1.06 |
| 3/4 | 1/2 | SS-AF-FT12-NS8 | 2.08 | 0.78 | 0.58 | 1.06 |
| 3/4 | 3/4 | SS-AF-FT12-NS12 | 2.16 | 0.81 | 0.58 | 1.31 |
| 3/4 | 1 | SS-AF-FT12-NS16 | 2.30 | 1.00 | 0.58 | 1.63 |
| 7/8 | 3/4 | SS-AF-FT14-NS12 | 2.22 | 0.81 | 0.58 | 1.31 |
| 1 | 3/4 | SS-AF-FT16-NS12 | 2.39 | 0.81 | 0.62 | 1.31 |
| 1 | 1 | SS-AF-FT16-NS16 | 2.53 | 1.00 | 0.80 | 1.63 |
| 1 1/4 | 1 1/4 | SS-AF-AFT20-NS20 | 3.06 | 1.00 | 1.02 | 2.13 |
| 1 1/2 | 1 1/2 | SS-AF-AFT24-NS24 | 3.50 | 1.09 | 1.25 | 2.37 |
Units: inch