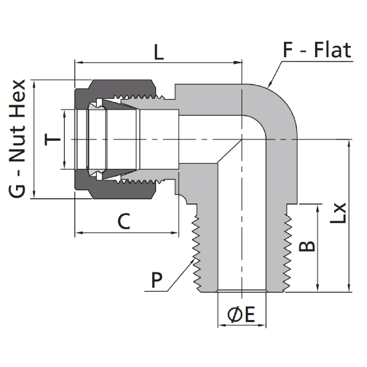
Male Elbows

| Fractional Tube | Dimensions (inch) | NPT Thread | ||||||||
|---|---|---|---|---|---|---|---|---|---|---|
| T-Tube O.D. | P-NPT Size | Part Number | L | C | G | F | E | B | Lx | |
| 1/16 | 1/16 | SS-LM-FL1-NS1 | 0.75 | 0.34 | 0.31 | 0.44 | 0.05 | 0.38 | 0.70 | |
| 1/16 | 1/8 | SS-LM-FL1-NS2 | 0.75 | 0.34 | 0.31 | 0.44 | 0.05 | 0.38 | 0.70 | |
| 1/8 | 1/16 | SS-LM-FL2-NS1 | 0.93 | 0.50 | 0.44 | 0.44 | 0.19 | 0.38 | 0.70 | |
| 1/8 | 1/8 | SS-LM-FL2-NS2 | 0.93 | 0.50 | 0.44 | 0.44 | 0.09 | 0.38 | 0.70 | |
| 1/8 | 1/4 | SS-LM-FL2-NS4 | 0.97 | 0.50 | 0.44 | 0.50 | 0.09 | 0.56 | 0.92 | |
| 3/16 | 1/8 | SS-LM-FL3-NS2 | 1.00 | 0.54 | 0.50 | 0.50 | 0.12 | 0.56 | 0.92 | |
| 1/4 | 1/8 | SS-LM-FL4-NS2 | 1.06 | 0.60 | 0.56 | 0.50 | 0.12 | 0.38 | 0.74 | |
| 1/4 | 1/4 | SS-LM-FL4-NS4 | 1.06 | 0.60 | 0.56 | 0.50 | 0.19 | 0.56 | 0.92 | |
| 1/4 | 3/8 | SS-LM-FL4-NS6 | 1.17 | 0.60 | 0.56 | 0.69 | 0.19 | 0.56 | 1.03 | |
| 1/4 | 1/2 | SS-LM-FL4-NS8 | 1.25 | 0.60 | 0.56 | 0.81 | 0.19 | 0.75 | 1.30 | |
| 5/16 | 1/8 | SS-LM-FL5-NS2 | 1.13 | 0.64 | 0.63 | 0.56 | 0.25 | 0.38 | 0.74 | |
| 5/16 | 1/4 | SS-LM-FL5-NS4 | 1.13 | 0.64 | 0.63 | 0.56 | 0.25 | 0.56 | 0.96 | |
| 5/16 | 3/8 | SS-LM-FL5-NS6 | 1.20 | 0.64 | 0.63 | 0.69 | 0.25 | 0.56 | 1.03 | |
| 3/8 | 1/8 | SS-LM-FL6-NS2 | 1.20 | 0.66 | 0.69 | 0.56 | 0.28 | 0.38 | 0.82 | |
| 3/8 | 1/4 | SS-LM-FL6-NS4 | 1.20 | 0.66 | 0.69 | 0.63 | 0.28 | 0.56 | 1.00 | |
| 3/8 | 3/8 | SS-LM-FL6-NS6 | 1.23 | 0.66 | 0.69 | 0.69 | 0.28 | 0.56 | 1.03 | |
| 3/8 | 1/2 | SS-LM-FL6-NS8 | 1.46 | 0.66 | 0.69 | 1.06 | 0.28 | 0.75 | 1.45 | |
| 1/2 | 1/4 | SS-LM-FL8-NS4 | 1.42 | 0.90 | 0.87 | 0.81 | 0.28 | 0.56 | 1.11 | |
| 1/2 | 3/8 | SS-LM-FL8-NS6 | 1.42 | 0.90 | 0.87 | 0.81 | 0.41 | 0.75 | 1.30 | |
| 1/2 | 1/2 | SS-LM-FL8-NS8 | 1.57 | 0.90 | 0.87 | 1.06 | 0.41 | 0.75 | 1.45 | |
| 5/8 | 3/8 | SS-LM-FL10-NS6 | 1.50 | 0.96 | 1.00 | 0.94 | 0.38 | 0.56 | 1.19 | |
| 5/8 | 1/2 | SS-LM-FL10-NS8 | 1.57 | 0.96 | 1.00 | 1.06 | 0.47 | 0.75 | 1.38 | |
| 3/4 | 1/2 | SS-LM-FL12-NS8 | 1.57 | 0.96 | 1.13 | 1.13 | 0.47 | 0.75 | 1.45 | |
| 3/4 | 3/4 | SS-LM-FL12-NS12 | 1.57 | 0.96 | 1.13 | 1.13 | 0.47 | 0.75 | 1.45 | |
| 7/8 | 3/4 | SS-LM-FL14-NS12 | 1.76 | 1.02 | 1.25 | 1.37 | 0.62 | 0.75 | 1.64 | |
| 1 | 3/4 | SS-LM-FL16-NS12 | 1.93 | 1.23 | 1.50 | 1.37 | 0.62 | 0.75 | 1.64 | |
| 1 | 1 | SS-LM-FL16-NS16 | 2.07 | 1.23 | 1.50 | 1.63 | 0.88 | 0.94 | 1.93 | |
| 1 1/4 | 1 1/4 | SS-LM-FL20-NS20 | 2.62 | 1.62 | 1.87 | 1.69 | 1.09 | 0.94 | 2.06 | |
| 1 1/2 | 1 1/2 | SS-LM-FL24-NS24 | 3.07 | 1.97 | 2.25 | 2.00 | 1.34 | 1.03 | 2.38 | |
Units: inch