Tees
Male Branch Tees

| Fractional Tube | Dimensions (inch) | ||||||||
|---|---|---|---|---|---|---|---|---|---|
| T-Tube O.D. | P-NPT Size | Basic Ordering Number | L | C | G | F | E | B | Lx |
| 1/8 | 1/8 | -TTM-FL2-NS2 | 0.93 | 0.50 | 0.44 | 0.44 | 0.09 | 0.38 | 0.70 |
| 1/8 | 1/4 | -TTM-FL2-NS4 | 0.97 | 0.50 | 0.44 | 0.50 | 0.09 | 0.56 | 0.92 |
| 3/16 | 1/8 | -TTM-FL3-NS2 | 0.96 | 0.54 | 0.50 | 0.44 | 0.12 | 0.38 | 0.70 |
| 1/4 | 1/8 | -TTM-FL4-NS2 | 1.06 | 0.60 | 0.56 | 0.50 | 0.19 | 0.38 | 0.74 |
| 1/4 | 1/4 | -TTM-FL4-NS4 | 1.06 | 0.60 | 0.56 | 0.50 | 0.19 | 0.56 | 0.92 |
| 5/16 | 1/8 | -TTM-FL5-NS2 | 1.17 | 0.64 | 0.63 | 0.63 | 0.19 | 0.38 | 0.82 |
| 5/16 | 1/4 | -TTM-FL5-NS4 | 1.17 | 0.64 | 0.63 | 0.63 | 0.25 | 0.56 | 1.01 |
| 3/8 | 1/4 | -TTM-FL6-NS4 | 1.20 | 0.66 | 0.69 | 0.63 | 0.28 | 0.56 | 1.00 |
| 3/8 | 3/8 | -TTM-FL6-NS6 | 1.31 | 0.66 | 0.69 | 0.81 | 0.28 | 0.56 | 1.11 |
| 1/2 | 3/8 | -TTM-FL8-NS6 | 1.42 | 0.90 | 0.87 | 0.81 | 0.38 | 0.56 | 1.11 |
| 1/2 | 1/2 | -TTM-FL8-NS8 | 1.42 | 0.90 | 0.87 | 0.81 | 0.41 | 0.75 | 1.30 |
| 5/8 | 1/2 | -TTM-FL10-NS8 | 1.53 | 0.96 | 1.00 | 1.00 | 0.47 | 0.75 | 1.41 |
| 3/4 | 3/4 | -TTM-FL12-NS12 | 1.57 | 0.96 | 1.13 | 1.06 | 0.62 | 0.75 | 1.45 |
| 7/8 | 3/4 | -TTM-FL14-NS12 | 1.88 | 1.02 | 1.25 | 1.37 | 0.62 | 0.75 | 1.87 |
| 1 | 3/4 | -TTM-FL16-NS12 | 1.94 | 1.23 | 1.50 | 1.37 | 0.62 | 0.75 | 1.87 |
| 1 | 1 | -TTM-FL16-NS16 | 1.94 | 1.23 | 1.50 | 1.37 | 0.88 | 0.94 | 1.84 |
Units: inch
Send us Swagelok part number. Fast RFQ response guaranteed.
Call us: (510) 498-8518
Email: sales@vacproducts.com
Male Run Tees

| Fractional Tube | Dimensions (inch) | ||||||||
|---|---|---|---|---|---|---|---|---|---|
| T-Tube O.D. | P-NPT Size | Basic Ordering Number | L | C | G | F | E | B | Lx |
| 1/8 | 1/8 | -TMT-FL2-NS2 | 0.93 | 0.50 | 0.44 | 0.44 | 0.09 | 0.38 | 0.70 |
| 1/8 | 1/4 | -TMT-FL2-NS4 | 0.97 | 0.50 | 0.44 | 0.50 | 0.09 | 0.56 | 0.92 |
| 3/16 | 1/8 | -TMT-FL3-NS2 | 0.96 | 0.54 | 0.50 | 0.44 | 0.12 | 0.38 | 0.70 |
| 1/4 | 1/8 | -TMT-FL4-NS2 | 1.06 | 0.60 | 0.56 | 0.50 | 0.19 | 0.38 | 0.74 |
| 1/4 | 1/4 | -TMT-FL4-NS4 | 1.06 | 0.60 | 0.56 | 0.50 | 0.19 | 0.56 | 0.92 |
| 5/16 | 1/8 | -TMT-FL5-NS2 | 1.17 | 0.64 | 0.63 | 0.63 | 0.19 | 0.38 | 0.82 |
| 5/16 | 1/4 | -TMT-FL5-NS4 | 1.17 | 0.64 | 0.63 | 0.63 | 0.25 | 0.56 | 1.01 |
| 3/8 | 1/4 | -TMT-FL6-NS4 | 1.20 | 0.66 | 0.69 | 0.63 | 0.28 | 0.56 | 1.00 |
| 3/8 | 3/8 | -TMT-FL6-NS6 | 1.31 | 0.66 | 0.69 | 0.81 | 0.28 | 0.56 | 1.11 |
| 1/2 | 3/8 | -TMT-FL8-NS6 | 1.42 | 0.90 | 0.87 | 0.81 | 0.38 | 0.56 | 1.11 |
| 1/2 | 1/2 | -TMT-FL8-NS8 | 1.42 | 0.90 | 0.87 | 0.81 | 0.41 | 0.75 | 1.30 |
| 5/8 | 1/2 | -TMT-FL10-NS8 | 1.50 | 0.96 | 1.00 | 0.94 | 0.47 | 0.75 | 1.41 |
| 3/4 | 3/4 | -TMT-FL12-NS12 | 1.57 | 0.96 | 1.13 | 1.06 | 0.62 | 0.75 | 1.45 |
| 7/8 | 3/4 | -TMT-FL14-NS12 | 1.88 | 1.02 | 1.25 | 1.37 | 0.62 | 0.75 | 1.87 |
| 1 | 3/4 | -TMT-FL16-NS12 | 1.94 | 1.23 | 1.50 | 1.37 | 0.62 | 0.75 | 1.87 |
| 1 | 1 | -TMT-FL16-NS16 | 1.94 | 1.23 | 1.50 | 1.37 | 0.88 | 0.94 | 1.84 |
Units: inch
Send us Swagelok part number. Fast RFQ response guaranteed.
Call us: (510) 498-8518
Email: sales@vacproducts.com
Female Branch Tees

| Fractional Tube | Dimensions (inch) | ||||||||
|---|---|---|---|---|---|---|---|---|---|
| T-Tube O.D. | P-NPT Size | Basic Ordering Number | L | C | G | F | E | B | Lx |
| 1/8 | 1/8 | -TTF-FL2-NS2 | 0.97 | 0.50 | 0.44 | 0.50 | 0.09 | 0.41 | 0.75 |
| 3/16 | 1/8 | -TTF-FL3-NS2 | 1.01 | 0.54 | 0.50 | 0.50 | 0.12 | 0.41 | 0.75 |
| 1/4 | 1/8 | -TTF-FL4-NS2 | 1.06 | 0.60 | 0.56 | 0.50 | 0.19 | 0.41 | 0.75 |
| 1/4 | 1/4 | -TTF-FL4-NS4 | 1.17 | 0.60 | 0.56 | 0.69 | 0.19 | 0.59 | 0.88 |
| 5/16 | 1/8 | -TTF-FL5-NS2 | 1.17 | 0.64 | 0.63 | 0.63 | 0.25 | 0.41 | 0.75 |
| 3/8 | 1/4 | -TTF-FL6-NS4 | 1.23 | 0.66 | 0.69 | 0.69 | 0.28 | 0.59 | 0.88 |
| 3/8 | 3/8 | -TTF-FL6-NS6 | 1.31 | 0.66 | 0.69 | 0.81 | 0.28 | 0.59 | 0.88 |
| 3/8 | 1/2 | -TTF-FL6-NS8 | 1.42 | 0.66 | 0.69 | 1.00 | 0.28 | 0.78 | 1.12 |
| 1/2 | 1/4 | -TTF-FL8-NS4 | 1.42 | 0.90 | 0.87 | 0.81 | 0.41 | 0.59 | 0.88 |
| 1/2 | 3/8 | -TTF-FL8-NS6 | 1.42 | 0.90 | 0.87 | 0.81 | 0.41 | 0.59 | 0.88 |
| 1/2 | 1/2 | -TTF-FL8-NS8 | 1.53 | 0.90 | 0.87 | 1.00 | 0.41 | 0.78 | 1.12 |
| 5/8 | 1/2 | -TTF-FL10-NS8 | 1.53 | 0.96 | 1.00 | 1.00 | 0.50 | 0.78 | 1.12 |
| 3/4 | 3/4 | -TTF-FL12-NS12 | 1.76 | 0.96 | 1.13 | 1.37 | 0.62 | 0.81 | 1.25 |
| 7/8 | 3/4 | -TTF-FL14-NS12 | 1.76 | 1.02 | 1.25 | 1.37 | 0.72 | 0.81 | 1.25 |
| 1 | 3/4 | -TTF-FL16-NS12 | 1.93 | 1.23 | 1.50 | 1.37 | 0.88 | 0.81 | 1.25 |
| 1 | 1 | -TTF-FL16-NS16 | 2.11 | 1.23 | 1.50 | 1.69 | 0.88 | 1.00 | 1.50 |
Units: inch
Send us Swagelok part number. Fast RFQ response guaranteed.
Call us: (510) 498-8518
Email: sales@vacproducts.com
Female Run Tees

| Fractional Tube | Dimensions (inch) | ||||||||
|---|---|---|---|---|---|---|---|---|---|
| T-Tube O.D. | P-NPT Size | Basic Ordering Number | L | C | G | F | E | B | Lx |
| 1/8 | 1/8 | -TFT-FL2-NS2 | 0.97 | 0.50 | 0.44 | 0.50 | 0.09 | 0.41 | 0.75 |
| 3/16 | 1/8 | -TFT-FL3-NS2 | 1.01 | 0.54 | 0.50 | 0.50 | 0.12 | 0.41 | 0.75 |
| 1/4 | 1/8 | -TFT-FL4-NS2 | 1.06 | 0.60 | 0.56 | 0.50 | 0.19 | 0.41 | 0.75 |
| 1/4 | 1/4 | -TFT-FL4-NS4 | 1.17 | 0.60 | 0.56 | 0.69 | 0.19 | 0.59 | 0.88 |
| 5/16 | 1/8 | -TFT-FL5-NS2 | 1.17 | 0.64 | 0.63 | 0.63 | 0.25 | 0.41 | 0.75 |
| 3/8 | 1/4 | -TFT-FL6-NS4 | 1.23 | 0.66 | 0.69 | 0.69 | 0.28 | 0.59 | 0.88 |
| 1/2 | 1/4 | -TFT-FL8-NS4 | 1.42 | 0.90 | 0.87 | 0.81 | 0.41 | 0.59 | 0.88 |
| 1/2 | 3/8 | -TFT-FL8-NS6 | 1.42 | 0.90 | 0.87 | 0.81 | 0.41 | 0.59 | 0.88 |
| 1/2 | 1/2 | -TFT-FL8-NS8 | 1.57 | 0.90 | 0.87 | 1.06 | 0.41 | 0.78 | 1.12 |
| 5/8 | 1/2 | -TFT-FL10-NS8 | 1.57 | 0.96 | 1.00 | 1.06 | 0.50 | 0.78 | 1.12 |
| 3/4 | 3/4 | -TFT-FL12-NS12 | 1.76 | 0.96 | 1.13 | 1.37 | 0.62 | 0.81 | 1.25 |
| 7/8 | 1/2 | -TFT-FL14-NS8 | 1.76 | 1.02 | 1.25 | 1.37 | 0.72 | 0.81 | 1.25 |
| 7/8 | 3/4 | -TFT-FL14-NS12 | 1.76 | 1.02 | 1.25 | 1.37 | 0.72 | 0.81 | 1.25 |
| 1 | 3/4 | -TFT-FL16-NS12 | 1.93 | 1.23 | 1.50 | 1.37 | 0.88 | 0.81 | 1.25 |
| 1 | 1 | -TFT-FL16-NS16 | 2.11 | 1.23 | 1.50 | 1.69 | 0.88 | 1.00 | 1.50 |
Units: inch
Send us Swagelok part number. Fast RFQ response guaranteed.
Call us: (510) 498-8518
Email: sales@vacproducts.com
Union Tees

| Fractional Tube | Dimensions (inch) | ||||||
|---|---|---|---|---|---|---|---|
| T-Tube O.D. | Basic Ordering Number | L | C | G | F | E | |
| 1/16 | -TTT-FL1 | 0.70 | 0.34 | 0.31 | 0.37 | 0.05 | |
| 1/8 | -TTT-FL2 | 0.87 | 0.50 | 0.44 | 0.37 | 0.09 | |
| 3/16 | -TTT-FL3 | 0.96 | 0.54 | 0.50 | 0.44 | 0.12 | |
| 1/4 | -TTT-FL4 | 1.06 | 0.60 | 0.56 | 0.50 | 0.19 | |
| 5/16 | -TTT-FL5 | 1.17 | 0.64 | 0.63 | 0.63 | 0.25 | |
| 3/8 | -TTT-FL6 | 1.20 | 0.66 | 0.69 | 0.63 | 0.28 | |
| 1/2 | -TTT-FL8 | 1.42 | 0.90 | 0.87 | 0.81 | 0.41 | |
| 5/8 | -TTT-FL10 | 1.53 | 0.96 | 1.00 | 1.00 | 0.50 | |
| 3/4 | -TTT-FL12 | 1.57 | 0.96 | 1.13 | 1.06 | 0.62 | |
| 7/8 | -TTT-FL14 | 1.76 | 1.02 | 1.25 | 1.37 | 0.72 | |
| 1 | -TTT-FL16 | 1.93 | 1.23 | 1.50 | 1.37 | 0.88 | |
| 1 1/8 | -TTT-FL18 | 2.63 | 1.44 | 1.69 | 1.75 | 0.97 | |
| 1 1/4 | -TTT-FL20 | 2.62 | 1.62 | 1.69 | 1.87 | 1.09 | |
| 1 1/2 | -TTT-FL24 | 3.07 | 1.97 | 2.00 | 2.25 | 1.34 | |
Units: inch
Send us Swagelok part number. Fast RFQ response guaranteed.
Call us: (510) 498-8518
Email: sales@vacproducts.com
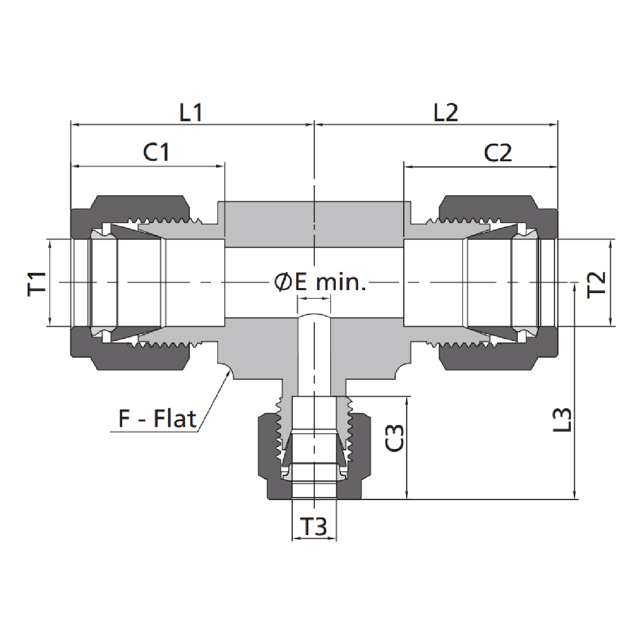
Reducing Union Tees

| Fractional Tube | Dimensions (inch) | ||||||||||
|---|---|---|---|---|---|---|---|---|---|---|---|
| T1-Tube O.D. | T2-Tube O.D. | T3-Tube O.D. | Basic Ordering Number | L1 | L2 | L3 | C1 | C2 | C3 | F | E min. |
| 1/4 | 1/4 | 1/8 | -TTT-FL4-FL4-FL2 | 1.05 | 1.05 | 0.96 | 0.60 | 0.60 | 0.50 | 0.50 | 0.09 |
| 3/8 | 1/4 | 1/4 | -TTT-FL6-FL4-FL4 | 1.20 | 1.14 | 1.14 | 0.66 | 0.60 | 0.60 | 0.63 | 0.19 |
| 3/8 | 1/4 | 3/8 | -TTT-FL6-FL4-FL6 | 1.20 | 1.14 | 1.20 | 0.66 | 0.66 | 0.66 | 0.63 | 0.19 |
| 3/8 | 3/8 | 1/4 | -TTT-FL6-FL6-FL4 | 1.20 | 1.20 | 1.14 | 0.66 | 0.66 | 0.60 | 0.63 | 0.19 |
| 1/2 | 1/4 | 1/4 | -TTT-FL8-FL4-FL4 | 1.42 | 1.22 | 1.22 | 0.90 | 0.60 | 0.60 | 0.81 | 0.19 |
| 1/2 | 1/4 | 1/2 | -TTT-FL8-FL4-FL8 | 1.42 | 1.25 | 1.42 | 0.90 | 0.90 | 0.90 | 0.81 | 0.19 |
| 1/2 | 3/8 | 3/8 | -TTT-FL8-FL6-FL6 | 1.42 | 1.31 | 1.31 | 0.90 | 0.66 | 0.66 | 0.81 | 0.28 |
| 1/2 | 3/8 | 1/2 | -TTT-FL8-FL6-FL8 | 1.42 | 1.31 | 1.42 | 0.90 | 0.90 | 0.90 | 0.81 | 0.28 |
| 1/2 | 1/4 | 3/8 | -TTT-FL8-FL4-FL6 | 1.42 | 1.42 | 1.31 | 0.90 | 0.60 | 0.66 | 0.81 | 0.19 |
| 5/8 | 3/8 | 3/8 | -TTT-FL10-FL6-FL6 | 1.53 | 1.42 | 1.42 | 0.96 | 0.66 | 0.66 | 1.00 | 0.28 |
| 5/8 | 1/2 | 1/2 | -TTT-FL10-FL8-FL8 | 1.53 | 1.53 | 1.53 | 0.96 | 0.90 | 0.90 | 1.00 | 0.41 |
| 5/8 | 5/8 | 3/8 | -TTT-FL10-FL10-FL6 | 1.53 | 1.53 | 1.42 | 0.96 | 0.96 | 0.66 | 1.00 | 0.28 |
| 5/8 | 5/8 | 1/2 | -TTT-FL10-FL10-FL8 | 1.53 | 1.53 | 1.53 | 0.96 | 0.96 | 0.90 | 1.00 | 0.41 |
| 3/4 | 3/8 | 3/8 | -TTT-FL12-FL6-FL6 | 1.56 | 1.45 | 1.45 | 0.96 | 0.66 | 0.66 | 1.06 | 0.28 |
| 3/4 | 3/8 | 1/2 | -TTT-FL12-FL6-FL8 | 1.56 | 1.45 | 1.45 | 0.96 | 0.66 | 0.90 | 1.06 | 0.28 |
| 3/4 | 3/8 | 5/8 | -TTT-FL12-FL6-FL10 | 1.56 | 1.45 | 1.45 | 0.96 | 0.66 | 0.96 | 1.06 | 0.41 |
| 3/4 | 1/2 | 1/2 | -TTT-FL12-FL8-FL8 | 1.56 | 1.56 | 1.56 | 0.96 | 0.90 | 0.90 | 1.06 | 0.41 |
| 3/4 | 3/4 | 3/8 | -TTT-FL12-FL12-FL6 | 1.56 | 1.56 | 1.45 | 0.96 | 0.96 | 0.66 | 1.06 | 0.28 |
| 3/4 | 3/4 | 5/8 | -TTT-FL12-FL12-FL10 | 1.56 | 1.56 | 1.56 | 0.96 | 0.96 | 0.96 | 1.06 | 0.41 |
| 7/8 | 3/4 | 3/4 | -TTT-FL14-FL12-FL12 | 1.76 | 1.76 | 1.76 | 1.02 | 0.96 | 0.96 | 1.37 | 0.62 |
| 7/8 | 7/8 | 1/4 | -TTT-FL14-FL14-FL4 | 1.76 | 1.76 | 1.59 | 1.02 | 1.02 | 1.02 | 1.37 | 0.19 |
| 7/8 | 7/8 | 3/8 | -TTT-FL14-FL14-FL6 | 1.76 | 1.76 | 1.65 | 1.02 | 1.02 | 1.02 | 1.37 | 0.28 |
| 1 | 3/8 | 3/8 | -TTT-FL16-FL6-FL6 | 1.94 | 1.65 | 1.65 | 1.23 | 0.66 | 0.66 | 1.37 | 0.28 |
| 1 | 1/2 | 1/2 | -TTT-FL16-FL8-FL8 | 1.94 | 1.76 | 1.76 | 1.23 | 0.90 | 0.90 | 1.37 | 0.41 |
| 1 | 1/2 | 1 | -TTT-FL16-FL8-FL16 | 1.94 | 1.76 | 1.94 | 1.23 | 0.90 | 1.23 | 1.37 | 0.41 |
| 1 | 3/4 | 1 | -TTT-FL16-FL12-FL16 | 1.94 | 1.76 | 1.94 | 1.23 | 0.96 | 1.23 | 1.37 | 0.62 |
| 1 | 7/8 | 7/8 | -TTT-FL16-FL14-FL14 | 1.94 | 1.94 | 1.76 | 1.23 | 1.02 | 1.02 | 1.37 | 0.72 |
| 1 | 1 | 1/4 | -TTT-FL16-FL16-FL4 | 1.94 | 1.94 | 1.59 | 1.23 | 1.23 | 0.60 | 1.37 | 0.19 |
| 1 | 1 | 3/8 | -TTT-FL16-FL16-FL6 | 1.94 | 1.94 | 1.65 | 1.23 | 1.23 | 0.66 | 1.37 | 0.28 |
| 1 | 1 | 1/2 | -TTT-FL16-FL16-FL8 | 1.94 | 1.94 | 1.76 | 1.23 | 1.23 | 0.90 | 1.37 | 0.41 |
| 1 | 1 | 5/8 | -TTT-FL16-FL16-FL10 | 1.94 | 1.94 | 1.94 | 1.23 | 1.23 | 1.23 | 1.37 | 0.50 |
| 1 | 1 | 3/4 | -TTT-FL16-FL16-FL12 | 1.94 | 1.94 | 1.94 | 1.23 | 1.23 | 1.23 | 1.37 | 0.62 |
| 1 1/4 | 1 1/4 | 1 | -TTT-FL20-FL20-FL16 | 2.67 | 2.67 | 2.17 | 1.62 | 1.62 | 1.69 | 1.69 | 0.88 |
| 1 1/2 | 1 1/2 | 1 | -TTT-FL24-FL24-FL16 | 3.10 | 3.10 | 2.36 | 1.97 | 1.97 | 2.00 | 2.00 | 0.88 |
Units: inch