Tribows
Tribows

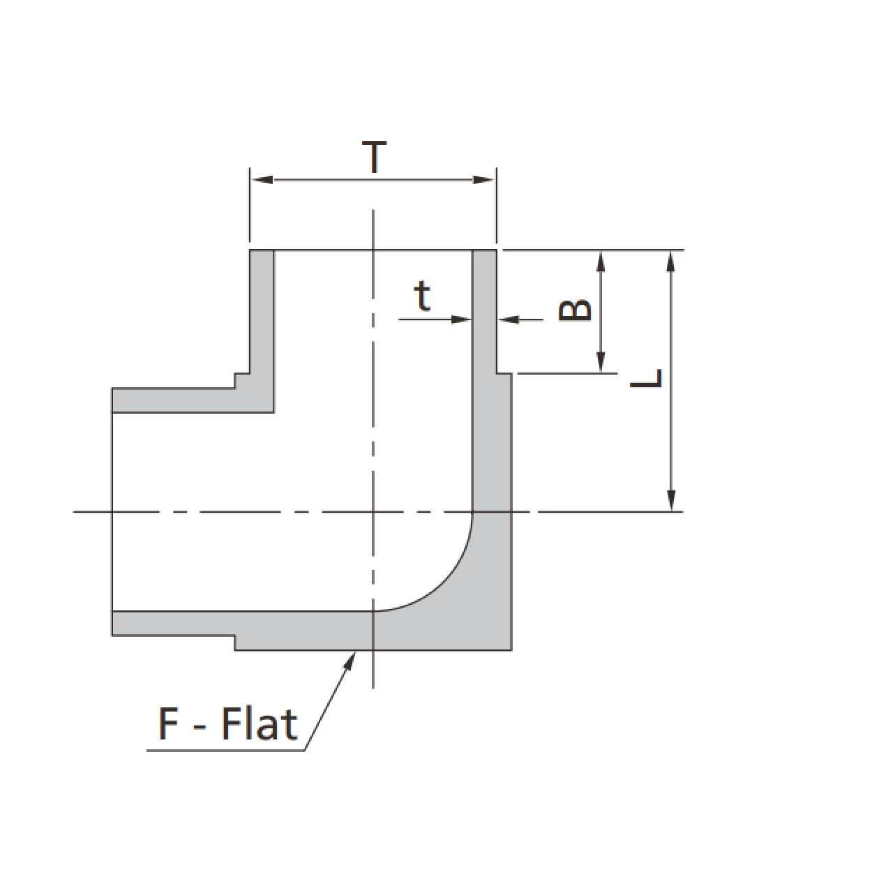
| Fractional | Dimensions, in. (mm) | Working Pressure psig (bar) | ||||
|---|---|---|---|---|---|---|
| T-Tube O.D. (in.) | t-Wall Thickness (in.) | Basic Ordering Number | L | B | F | |
| 1/4 | 0.035 | -WB1-TB4 | 0.41 (10.3) | 0.25 (6.4) | 5/16 (7.9) | 5100 (351) |
| 3/8 | 0.035 | -WB1-TB6 | 0.47 (11.9) | 0.25 (6.4) | 7/16 (11.1) | 3300 (227) |
| 1/2 | 0.049 | -WB1-TB8 | 0.53 (13.5) | 0.25 (6.4) | 9/16 (14.3) | 3700 (254) |
Units: inch
Send us Swagelok part number. Fast RFQ response guaranteed.
Call us: (510) 498-8518
Email: sales@vacproducts.com
Product Number
A
B
C
D
Price
Quantity
Buy
Resources
There are no products listed under this category.
$0.00
Add All to Cart